-
Yêu cầu của bộ điều khiển nghịch lưu
Có thể bạn đã biết về chỉnh lưu đối với mạch điều khiển trong thiết kế nhưng đối với nghịch lưu thì ra sao? Những điểm lưu ý về bộ điều -
Yêu cầu về mạch điều khiển chỉnh lưu trong thiết kế
Việc điều khiển chỉnh lưu trong thiết kế luôn cần những yêu cầu chính xác, cũng như ở các bài trước bạn đã được tìm hiểu về chỉnh lưu -
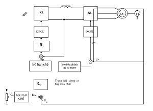
Nguyên lý mạch điều khiển của cầu trục
Nguyên lý hoạt động luôn là yếu tố quan trọng đối với một thiết bị cầu trục. Với một bản mạch điều khiển thì lại càng quan trọng hơn khi được -
Mạch vòng điều chỉnh tốc độ là gì?
Ở bài trước bạn đã biết đến động cơ điện một chiều được dùng đối với nhiều thiết bị cầu trục với các dòng điện kích từ. Nhưng với mạch -
Điều chỉnh động cơ điện một chiều
Ngày nay, nhiều thiết bị cầu trục thường sử dụng các động cơ điện một chiều trong đó với các dòng điện kích từ làm tăng thêm khả năng tác động -
Máy biến áp nguồn cho cầu trục
Nhắc đến máy biến áp nguồn thì nhiều người thường hiểu rằng chỉ việc chạy đúng dòng điện yêu cầu với các thiết bị cầu trục hay phụ kiện cầu -
So sánh palăng tay và palăng điện
Palăng là thiết bị được treo trên cao thường sử dụng trong cầu trục, cổng trục, yêu cầu có kích thước nhỏ gọn. Là loại thiết bị nâng dùng dây- cáp -
Chỉnh lưu và sơ đồ nguyên lí hoạt động
Chỉnh lưu công tắc tơ là sự biến đổi giữa hai dòng điện phần ứng và kích từ đảo chiều hệ truyền động thì việc sử dụng chỉnh lưu cũng đòi hỏi -
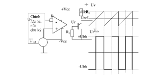
Điều chỉnh xung áp cho hệ truyền động
Hệ truyền động đối với máy phát động cơ rất quan trọng đối với các cơ cấu nâng hạ đó như là một hệ biến đổi điện áp, tại đây tác động -
Lưu ý cho bộ điều khiển chung cho chỉnh lưu
Bộ biến đổi chỉnh lưu thyristor với các phương pháp đảo chiều dòng điện kích từ cho bộ biến đổi điện áp của nó nhưng với việc sử dụng bộ -
Chỉnh lưu công tắc tơ và hệ biến đổi
Lần trước chúng ta đã đề cập đến việc hệ truyền động trong chỉnh lưu thyristor động cơ hoạt động ra sao tiếp đến bài này bạn sẽ được biết thêm -
Phương pháp dùng bộ biến đổi chỉnh lưu
Chỉnh lưu hay nói rõ hơn là chỉnh lưu thyristor động cơ như đã nói ở bài trước là hệ thống truyền động được xây dựng trên hệ thống đảo chiều T-Đ -
Hệ truyền động chỉnh lưu thyristor động cơ
Hệ truyền động của máy phát động cơ đã được nói ở bài trước có độ biến đổi điện từ máy phát điện một chiều. Nhưng đến bài này chúng ta sẽ -
Máy phát động cơ và hệ truyền động
Máy phát động cơ có độ biến đổi điện từ máy phát điện một chiều và được kích từ độc lập hệ truyền động F-Đ là hệ truyền động có độ -
Ảnh hưởng của các tham số đến đặc tính cơ
Tìm hiểu về các đặc tính cơ của các trạng thái hãm ở các bài trước bạn đã được biết đến ba trạng thái hãm khác nhau bao gồm hãm tái sinh, hãm -
Đặc tính cơ cho trạng thái hãm động năng
Ngoài đặc tính cơ cho trạng thái hãm ngược như đã nói ở bài trước thì đến bài này bạn sẽ được biết tiếp đến một trạng thái hãm khác là hãm -
Đặc tính cơ cho trạng thái hãm ngược
Bài trước chúng tôi đã cho bạn đến đặc tính cơ trong các trạng thái hãm tái sinh, trong bài này bạn sẽ biết thêm trạng thái hãm nữa là hãm ngược. Khi -
Đặc tính cơ cho trạng thái hãm tái sinh
Trạng thái hãm được chia làm 3 loại gồm có: hãm tái sinh, hãm ngược và hãm động năng trong đó mỗi đặc tính cơ ở trong các trạng thái hãm trong các thiết -
Động cơ điện một chiều là gì?
Được hoạt động với dòng điện một chiều thiết bị động cơ này được gọi là động cơ điện một chiều. Được sử dụng ở những nơi yêu cầu momen -
Công suất động cơ đối với cơ cấu nâng hạ cầu trục
Cơ cấu nâng hạ cầu trục là dạng thiết bị nói dung về các thiết bị nâng hạ nhưng với việc vận hành nó với công suất động cơ thì đòi hỏi phải -
Động cơ truyền động và chế độ làm việc
Đối với bất kỳ cơ cấu nâng hạ nào trong các thiết bị cơ khí thì việc để cho động cơ truyền động có thể hoạt động tốt thì chế độ làm việc rất -
Cơ cấu nâng hạ và hệ truyền động
Cơ cấu nâng hạ đối với nhiều thiết bị cơ khí cầu trục, cổng trục hay thiết bị nâng hạ nào thì việc di chuyển hay nâng hạ thì đều cần có hệ thống -
Đặc điểm công nghệ của cầu trục
Cầu trục thường được nhiều các nhà máy, xí nghiệp, hải cảng và nhiều xí nghiệp luyện kim khác dùng để vận chuyển và sản xuất máy móc nhưng ít -
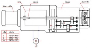
Tìm hiểu cấu tạo cơ cấu nâng hạ cầu trục
Cơ cấu nâng hạ cho cầu trục gồm hai loại chính: cho cầu trục một dầm là palang điện hoặc tay, các loại dầm khác được chế tạo và đặt trên xe con. Ở -
Cùng phân loại cơ cấu nâng hạ cầu trục
Cơ cấu nâng hạ cầu trục như ở bài trước bạn đã biết cơ cấu nâng hạ quan trọng như thế nào đối với các thiết bị cầu trục. Vậy quan trọng như vậy -
Cầu trục và cơ cấu nâng hạ là gì?
Cầu trục và cơ cấu nâng hạ quan trọng như thế nào đối với các nhà máy công nghiệp chế tạo và sản xuất. Vậy việc sử dụng các loại máy cơ khí cầu -
Phanh hãm đối với các thiết bị cơ khí
Phanh hãm hay còn gọi là thiết bị dừng đây là loại thiết bị thường được biết đến dùng để nâng giữ vật làm sao thực hiện được như vậy đó chính -
Cổng trục là loại thiết bị như thế nào?
Cổng trục đối với nhiều người nếu không rành trong việc nhận biết thì rất dễ dầm tưởng đó là cầu trục. Nhưng khác với cầu trục thì cổng trục -
Mối quan hệ giữa bánh xe và ray
Bánh xe và ray ở trong ngành cơ khí cầu trục thì có những mối liên quan nào? Bạn có biết chiếc xe con được sử dụng trong các xưởng nhà máy cơ khí để làm -
Khái quát chung về pa lăng
Nếu bạn là một công nhân hoạt động trong nhà máy cơ khí hay xưởng chế tạo các thiết bị nâng hạ, thì không còn xa lạ gì với chiếc palăng. Vậy có bao
Danh mục sản phẩm
Cầu Trục – Cổng Trục – Palang
bán cổng trục 7 tấn
cần cẩu
cầu trục
cầu trục 1 tấn
cầu trục 2 tấn
cầu trục 3 tấn
cầu trục 5 tấn
cầu trục 5 tấn bắc ninh
cầu trục 10 tấn
cầu trục 15 tấn
cầu trục 16 tấn
cầu trục 20 tấn
cầu trục 500kg
cầu trục monorail
cầu trục quay 3 tấn
cổng trục 2 tấn
cổng trục 3 tấn
cổng trục 5 tấn
cổng trục 7 tấn
cổng trục 10 tấn
cổng trục 16 tấn
cổng trục 20 tấn
cổng trục 30 tấn
cổng trục 50 tấn
cổng trục 100 tấn
hộp giảm tốc
palang 5 tấn
Palang cáp điện
Palang xích điện
rulo cuốn cáp
xe goòng 5 tấn

Cầu trục
Cổng trục
Palang
Bàn nâng hạ
Gầu ngoạm
Xe con
Phụ kiện
Điều khiển
Cầu đường











